Teraz jest niedziela, 10 stycznia 2021, 22:09

Strefa czasowa: UTC + 1




Utwórz nowy wątek Odpowiedz w wątku  [ Posty: 11 ] 
Autor Wiadomość
 Tytuł: Co to za element elektroniczny.
PostNapisane: wtorek, 11 grudnia 2018, 12:09 
Offline
modelarz
Avatar użytkownika

Dołączył(a): piątek, 13 kwietnia 2012, 14:28
Posty: 2194
Wiek: 55
Lokalizacja: Szczytniki
Napiszę tutaj, bo to nie związane z modelarstwem. Wzmacniacz operacyjny to jest, w mikserze audio. Firmy Mackie Profx16V2. Komuś umyśliło się prąd podłączyć do gniazda wyjściowego (:)
Może ktoś z kolegów będzie wiedział, można by na elektrodzie zapytać, ale szkoda nerwów, nie pomogą a zdołują na dzień dobry. Schemat też by się przydał, oczywiście szukam cały czas. Znalazłem inny schemat miksera Macke, tam jest mnóstwo NJM 4560M, nie wiem czy to jest to samo. Jak nie naprawię to marne jasełka w szkole będą.
Załącznik:
DSC00129.jpg
DSC00129.jpg [ 182.98 KiB | Przeglądane 1465 razy ]

_________________
Pozdrawiam Jurek


Góra
 Zobacz profil Wyślij e-mail  
 
 Tytuł: Re: Co to za element elektroniczny.
PostNapisane: wtorek, 11 grudnia 2018, 12:45 
Offline
modelarz
Avatar użytkownika

Dołączył(a): piątek, 7 maja 2010, 18:38
Posty: 1014
Wiek: 51
Lokalizacja: Tarnowskie Góry
Ten ludzik to jest logo Mackie. Jeśli to jest scalak robiony na ich zamówienie, to z kupieniem go może być problem.
Ale być może to coś seryjnego, tylko kupili sobie cały kontener z własnym nadrukiem.
Ja bym napisał bezpośrednio do nich, do wsparcia technicznego - powinni wiedzieć, co to jest i czym ewentualnie zastąpić.

_________________
Pozdrawiam
Michał


Góra
 Zobacz profil Wyślij e-mail  
 
 Tytuł: Re: Co to za element elektroniczny.
PostNapisane: wtorek, 11 grudnia 2018, 17:22 
Offline
modelarz
Avatar użytkownika

Dołączył(a): poniedziałek, 26 listopada 2012, 15:35
Posty: 1231
Wiek: 71
Lokalizacja: Toruń PL,Swindon England UK
Jurek napisz jakie oznaczenie ma ta płytka...

_________________
pozdrawiam Janusz
************************
Modelarstwo to pasja.
Pasja - aby zrealizować swoje marzenia.


Góra
 Zobacz profil Wyślij e-mail  
 
 Tytuł: Re: Co to za element elektroniczny.
PostNapisane: wtorek, 11 grudnia 2018, 20:51 
Offline
modelarz
Avatar użytkownika

Dołączył(a): piątek, 13 kwietnia 2012, 14:28
Posty: 2194
Wiek: 55
Lokalizacja: Szczytniki
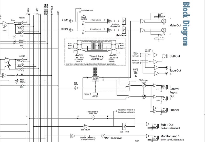
Niestety oznaczenia płyty nie ma, a przynajmniej ja nie znalazłem.
Załącznik:
IMG_20181211_194133.jpg
IMG_20181211_194133.jpg [ 229.77 KiB | Przeglądane 1375 razy ]

Z obudowy raczej tego nie da rady wykręcić.
Trochę posprawdzałem, wychodzi że prawie cały układ działa, problem jest tylko z wyjściem sygnału.
Znalazłem schemat blokowy, w sumie taki jak mi podesłałeś.
Załącznik:
Schowek01.jpg
Schowek01.jpg [ 193.03 KiB | Przeglądane 1375 razy ]

Wszystkie wejścia działają, sygnał wyjściowy jest na gniazdku tape, oraz słuchawkowym, nie ma tylko na Main out L,R. Nie dochodzi też do wskaźnika wysterowania, ale nie do końca. Sygnał do niego dociera z układu "PFL Solo". Na wyjściu potencjometru "main" sygnał jest, działa też eqalizer. Jest szansa to naprawić, ale układ jest dość skomplikowany aby w godzinę to rozpoznać. Dowiedziałem się że podłączyli do wyjścia miksera nie sieć 230V, a wzmacniacz z wyjściem liniowym. Bo kable pasowały :o

_________________
Pozdrawiam Jurek


Góra
 Zobacz profil Wyślij e-mail  
 
 Tytuł: Re: Co to za element elektroniczny.
PostNapisane: wtorek, 11 grudnia 2018, 22:02 
Offline
modelarz
Avatar użytkownika

Dołączył(a): piątek, 7 maja 2010, 18:38
Posty: 1014
Wiek: 51
Lokalizacja: Tarnowskie Góry
Pytanie - jeden taki scalak jest uszkodzony czy dwa? Podejrzewam, że wpięli się w gniazdo jack?
Po schemacie blokowym wnioskuję, że ten mikser ma 2 wyjścia (L i R), a każde może pracować w trybie zbalansowanym (gniazdo XLR) lub nie (gniazdo jack).
Wyjście zbalansowane może być zrobione na podwójnym wzmacniaczu operacyjnym, podobnie jak na załączonym obrazku.
Oczywiście przy stereo potrzeba 2 takie scalaki z podwójnym op-ampem, po jednym na kanał.
Sprawdź, czy pinout np. takiego NJM 4560M pasowałby do podobnego obwodu.

Załącznik:
opamp-s4.gif
opamp-s4.gif [ 8.77 KiB | Przeglądane 1351 razy ]

_________________
Pozdrawiam
Michał


Góra
 Zobacz profil Wyślij e-mail  
 
 Tytuł: Re: Co to za element elektroniczny.
PostNapisane: wtorek, 11 grudnia 2018, 23:06 
Offline
modelarz
Avatar użytkownika

Dołączył(a): poniedziałek, 26 listopada 2012, 15:35
Posty: 1231
Wiek: 71
Lokalizacja: Toruń PL,Swindon England UK
Michał,wyjście main jest wykonane mniej więcej jak na rysunku.Jurek dostał gotowce i szuka... :D
Załącznik:
main output.jpg
main output.jpg [ 36.88 KiB | Przeglądane 1331 razy ]

_________________
pozdrawiam Janusz
************************
Modelarstwo to pasja.
Pasja - aby zrealizować swoje marzenia.


Góra
 Zobacz profil Wyślij e-mail  
 
 Tytuł: Re: Co to za element elektroniczny.
PostNapisane: środa, 12 grudnia 2018, 15:51 
Offline
modelarz
Avatar użytkownika

Dołączył(a): piątek, 13 kwietnia 2012, 14:28
Posty: 2194
Wiek: 55
Lokalizacja: Szczytniki
Trochę posiedziałem, schemat mam tylko podobny. Wyjście już działa, uszkodzone były dwa układy scalone te z "ludzikiem" i kilka rezystorów. Na razie pożyczyłem ze stopni wejściowych. Najbardziej pasujący fragment schematu to ten.
Załącznik:
out.jpg
out.jpg [ 90.24 KiB | Przeglądane 1269 razy ]


Problem jest nadal, nie wiem jak to ugryźć. Odsłuch na słuchawki nie działa jak należy, a mianowicie. Głos słychać w słuchawkach w obu kanałach, ale tylko wtedy gdy wciśnięty jest przycisk "PFL SOLO". Widać również wysterowanie na lewym wskaźniku. Dioda sygnalizująca o nazwie "RUDE SOLO" miga cały czas, zdaje się że powinna tylko w chwili wciśnięcia przyciski PFL. Wskaźniki nie działają przy normalnej pracy. Na schemacie blokowym jest moduł nazwany "SOLO LOGIC" Wychodzi że z nim jest problem, tylko nie mogę namierzyć gdzie to jest w urządzeniu.

_________________
Pozdrawiam Jurek


Góra
 Zobacz profil Wyślij e-mail  
 
 Tytuł: Re: Co to za element elektroniczny.
PostNapisane: piątek, 14 grudnia 2018, 15:47 
Offline
modelarz
Avatar użytkownika

Dołączył(a): piątek, 13 kwietnia 2012, 14:28
Posty: 2194
Wiek: 55
Lokalizacja: Szczytniki
Co tam pisał będę, obrazek wystarczy :mrgreen:
Dzięki Janusz raz jeszcze za schematy, jak nie wiem co.
Załącznik:
DSC00132 (2).JPG
DSC00132 (2).JPG [ 222.92 KiB | Przeglądane 1195 razy ]

_________________
Pozdrawiam Jurek


Góra
 Zobacz profil Wyślij e-mail  
 
 Tytuł: Re: Co to za element elektroniczny.
PostNapisane: piątek, 14 grudnia 2018, 17:17 
Offline
modelarz
Avatar użytkownika

Dołączył(a): piątek, 7 maja 2010, 18:38
Posty: 1014
Wiek: 51
Lokalizacja: Tarnowskie Góry
Ta, pewnie, "co będę pisał" 8-)
A napisałbyś chociaż, co mu tam wlutowałeś zamiast tych scalaków z ludzikiem? I czy padło coś poza stopniem wyjściowym?

_________________
Pozdrawiam
Michał


Góra
 Zobacz profil Wyślij e-mail  
 
 Tytuł: Re: Co to za element elektroniczny.
PostNapisane: piątek, 14 grudnia 2018, 18:12 
Offline
modelarz
Avatar użytkownika

Dołączył(a): poniedziałek, 26 listopada 2012, 15:35
Posty: 1231
Wiek: 71
Lokalizacja: Toruń PL,Swindon England UK
wypruło i to w kilku miejscach,ale ciekawe czym zastąpiłeś te z ludzikami.Pewnie jakaś ściema dla ludu... ;)
A schematy to masz do archiwum,nawet możesz wydziergać coś dla siebie...

_________________
pozdrawiam Janusz
************************
Modelarstwo to pasja.
Pasja - aby zrealizować swoje marzenia.


Góra
 Zobacz profil Wyślij e-mail  
 
 Tytuł: Re: Co to za element elektroniczny.
PostNapisane: piątek, 14 grudnia 2018, 18:48 
Offline
modelarz
Avatar użytkownika

Dołączył(a): piątek, 13 kwietnia 2012, 14:28
Posty: 2194
Wiek: 55
Lokalizacja: Szczytniki
W sumie to jeszcze dwa padły, jeden miał stałe napięcie na wyjściu, następny chyba przez przypadek znalazłem. Wstawiłem NJM4580. Działa, nie wiem jak to brzmi, bo nie mam jak tego odsłuchać. Wydaje się że jest dobrze, najwyżej zamienię na inne jak będą narzekać. Wydłubałem "ludziki" z jednego toru, więc z tego mogą nie korzystać.

_________________
Pozdrawiam Jurek


Góra
 Zobacz profil Wyślij e-mail  
 
Wyświetl posty nie starsze niż:  Sortuj wg  
Utwórz nowy wątek Odpowiedz w wątku  [ Posty: 11 ] 

Strefa czasowa: UTC + 1


Kto przegląda forum

Użytkownicy przeglądający ten dział: Rob Mc Fly, wojcio69 i 6 gości


Nie możesz rozpoczynać nowych wątków
Nie możesz odpowiadać w wątkach
Nie możesz edytować swoich postów
Nie możesz usuwać swoich postów
Nie możesz dodawać załączników

Szukaj:
Skocz do:  

77,171,858 Wyświetlone Powered by phpBB © 2000, 2002, 2005, 2007 phpBB Group
Przyjazne użytkownikom polskie wsparcie phpBB3 - phpBB3.PL